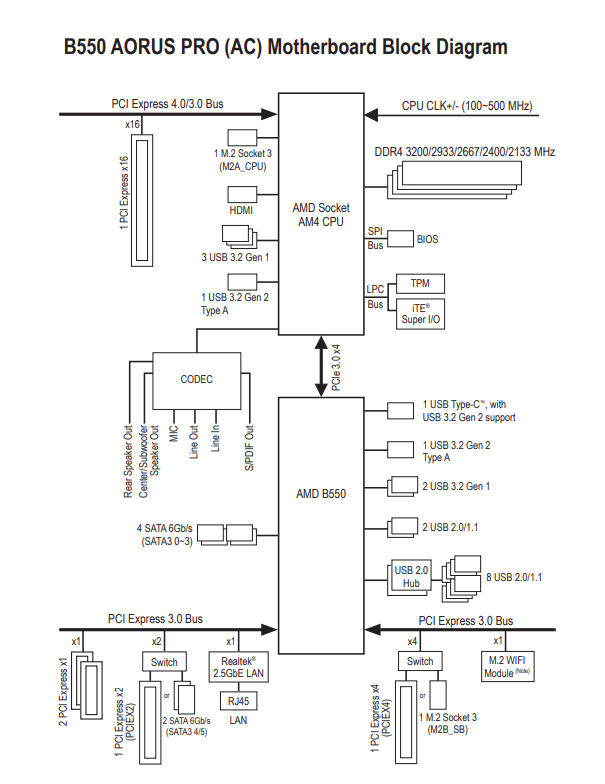
It's in the motherboard manual. There are four USB ports surrounding the Q-flash button.( one red port, one white port, and two blue ports) All four of them are connected to the CPU. I'm not 100% sure about that red one since there is another red USB 3.2 Gen 2 port below the ethernet port. so, I suggest plugging your mouse and keyboard in those other 3 ports just to be 100% sure.
Couldn't find out which USB ports are the CPUs & which are the Chipset's
-
Boomchakadah
- Posts: 198
- Joined: 15 Aug 2018, 02:44
Re: Couldn't find out which USB ports are the CPUs & which are the Chipset's
VG258QM 280Hz TN (main)| XG2431 240Hz IPS | XL2540K 240Hz TN | XV252Q 1080p 280Hz IPS | XL2546K 1080p 240hz TN | AW2518HF 1080p 240Hz TN | XV240YP 1080p 165Hz IPS | XG2402 1080p 144hz TN | 27GL83A 1440p 144Hz IPS | XL2411P 144Hz TN | XF240H 144Hz TN
Re: Couldn't find out which USB ports are the CPUs & which are the Chipset's
Thanks, yes, should be fine.phaze wrote: ↑17 Apr 2023, 15:16Big fan of your guide here Calypto <3, Is it correct now? The one on the top says the Chipset, where I have the Keyboard plugged in, Taking High polling rate device should be seperated to avoid freq. interference in account. and the one in the lower, is the CPU USB Ports, Also Port1 seems to be the BIOS Q-FLASH port, is it fine if I use my mouse in it?
When you open hwinfo deselect both checkboxes, if you don't see this window then you may have to check settings.
Re: Couldn't find out which USB ports are the CPUs & which are the Chipset's
...
- Attachments
-
- 2Capture.PNG (27.12 KiB) Viewed 6373 times
-
- 1Capture.PNG (82.85 KiB) Viewed 6373 times
Re: Couldn't find out which USB ports are the CPUs & which are the Chipset's
I have my Mouse in my Cpu USB 3.2 slot.
For my Keyboard i can choose between USB 2.0 (Cpu) or USB 3.2 (Chipset)
What would be adviseable, does it even matter?
For my Keyboard i can choose between USB 2.0 (Cpu) or USB 3.2 (Chipset)
What would be adviseable, does it even matter?
Re: Couldn't find out which USB ports are the CPUs & which are the Chipset's
Mouse in CPU, the very first slot (0) and keyboard into another USB HUB chipset preferably.
-- thread --
Here is a pretty neat tool to help you find out more.
https://www.majorgeeks.com/files/detail ... ewer).html
CPU: AMD R7 5800x3D ~ PBO2Tuner -30 ~ no C states
RAM: Gskill Bdie 2x16gb TridentZ Neo ~ CL16-16-16-36 1T ~ fine tuned latency
GPU: ASUS TUF 3080 10G OC Edition(v1/non-LHR) ~ disabled Pstates ~ max oced
OS: Fine tuned Windows 10 Pro, manual tuned.
Monitor: Alienware AW2521H ~ mix of ULMB/Gsync @ 240hz/360hz
More specs: https://kit.co/Kyouki/the-pc-that-stomps-you
RAM: Gskill Bdie 2x16gb TridentZ Neo ~ CL16-16-16-36 1T ~ fine tuned latency
GPU: ASUS TUF 3080 10G OC Edition(v1/non-LHR) ~ disabled Pstates ~ max oced
OS: Fine tuned Windows 10 Pro, manual tuned.
Monitor: Alienware AW2521H ~ mix of ULMB/Gsync @ 240hz/360hz
More specs: https://kit.co/Kyouki/the-pc-that-stomps-you
